| パワーアンプの350Aシングルは92年秋に製作した処女作です。当初は初段に6J7Gを用いた渡辺直樹氏発表の回路をステレオにアレンジしたもので、無謀にもMJの自作アンプコンに出品し下位入選を果たしました。その後プリアンプの高電圧出力を念頭に、6V6GのEc:
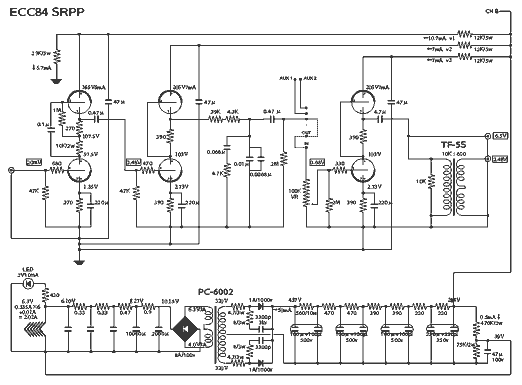
9v、RL: 5.6k、Ip: 25mAでWE-350Aをドライブする回路に変更。高域のヌケが格段に向上しました。 ヲ イコライザープリに使用しているECC84という耳慣れない双3極管は森川忠勇氏の 6C33C/B OTLの記事で知りました。この中のSRPP実験回路の特性とEp/Ip曲線をたよりに、3段のRIAAイコライザーを設計しました。3段目の前にボリュームを入れ、CDなどの入力に対応。ゲインを揃える目的で初段にμドライブ回路を採用しました。47k負荷でぴったり24倍のゲインを得ています。 RIAA素子は微細音の再現性を求め、2段目の後、DCバイアスの掛かった部分に挿入しています。出力はタムラのパーマロイTRを逆方向で使用した150Ω出力と、カソードダイレクトの端子を用意し、ゲイン調整をしています。 ECC84フォノイコライザーアンプ→ AUDIO & MUSICのTOPへ戻る→ |
![]() ![]() |
|